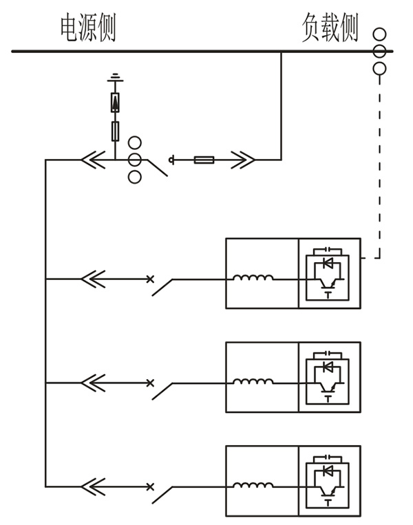
SVG裝置:主塑殼斷路器、集中監控屏、電流表、快速熔斷器、分支塑殼斷路器、SVG單元模塊等主要元器件構成。
SVG裝置靈活運用GCS/MNS柜型結構特點,柜內母線做到封閉樣式,各單元采用抽屜結構,抽屜單元之間獨立運行,互不影響。塑殼合閘后閉鎖抽屜搖進搖出機構,確保運行安全。單元內部設計獨立風道,強排風機接受溫度控制器控制自動啟停,嚴格控制單元內部溫升。
SVG裝置應用場所中頻爐、電弧爐、點焊機、精煉爐、變頻器、電機類負載、整流負載、軋機、后臺服務器、高頻類負載等。
1:系統額定工作電壓:AC400V,裝置能在1.1倍額定電壓下長期運行;:
2:額定工作頻率:50Hz;
3:額定輸出容量:300kVar;:
4:防護等級:IP30;
5:投切開關類型:IGBT;:
6:主進線開關類型:塑殼斷路器、快速熔斷器;
7:分支開關類型:分支塑殼斷路器;
8:保護功能:過載保護、短路保護、過欠壓保護功能、自動復歸檢測功能、智能巡檢功能;
-
用料講究 品質保證
與國內外知名品牌供應商形成戰略合作,成熟,穩定的原材料供應渠道,性能穩定,質量有保障。
封閉設計 安全可靠
封閉式母排結構設計,模塊化組裝,安全整潔,徹底擺脫帶電體裸露、結構散亂、線束纏繞等一系列安全隱患。
-
-
熔絲保護 響應快速
創造性采用熔斷器代替傳統微型斷路器,6KA(Icu)→100KA(Icu)改變的不是一個數字,而是一種安全觀念!
精確投切 無涌流
精確的過零點投切技術,降低電網傳輸損耗,抑制電壓波動,解決電容器鼓肚、電抗器發熱、熔絲斷路的困擾
研發實力
擁有專業的研發技術團隊,專注于無功補償領域的研究,不斷創新
生產實力
5000平方米生產車間,從國外引進 生產設備,滿足任何行業的需求
質量檢測
具備完善的檢測實驗設備,配備專業化質檢人員,質量有保障
貼心服務
安排人員定期巡檢,上門檢修等服務,24h全天候售后服務體系
合肥眾升科技有限公司于2001年8月成立,坐落于安徽省合肥市肥東縣經濟開發區,致力于無功補償領域的研發、設計和生產,是一家擁有自主知識產權的電氣企業。公司先后獲得了中國質量認證中心的ccc認證、ISO9001質量體系認證、國家電器產品質量監督檢驗中心型式試驗的認可。
|
熱線電話:400-176-0551 公司傳真:0551-65372899 客服QQ:2726472126 郵箱:2726472126@qq.com 地址:安徽省肥東縣經濟開發區柳孜路 |
采購:(SVG)抽屜式無功發生裝置
- *聯系人:
- *手機:
- 公司名稱:
- 郵箱:
- *采購意向:
-
*驗證碼:
跟此產品相關的產品 / Related Products
聯系眾升
服務熱線:400-176-0551- 手機:400-176-0551
- 傳真:0551-65372899
- 客服QQ:2726472126
- 郵箱:2726472126@qq.com
- 地址:安徽省肥東縣經濟開發區柳孜路




合肥眾升科技有限公司

