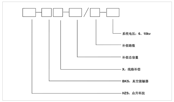
高壓線路無功自動補償裝置
高壓線路自動無功補償裝置一般安裝于供電線路的桿塔上,可實時監測高壓線路的電壓、電流、無功及功率因數等電網參數,并根據這些參數對高壓電網進行監測補償;對提高線路功率因數及電壓、減少線損,改善電網供電質量起到重要作用。高壓無功補償裝置用途很大。

1:無功智能自動補償,裝置自動跟蹤線路無功變化,采用真空接觸器為電容器投切開關,適合用于通斷容性電流,耐用性高。
2:裝置采用多級自動投切控制功能,使高壓線路無功補償曲線更加平滑、效果更好。
3:采用高可靠的微處理器及控制技術,實現了補償系統的自動控制、數據統計和存儲的功能(記錄并保存兩個月)。
4:可通過GPRS遠程無線通訊方式實現遠距離采集數據及控制目的。
5:專為戶外環境設計,防雨、防潮、防高低溫、防腐設計,可適應不同地理氣候特點。
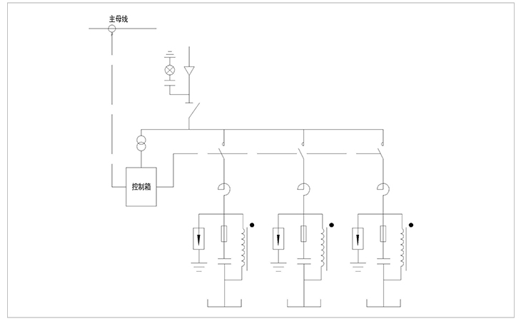
線路補償裝置主要由電容器、控制器單元、真空接觸器、電壓互感器、避雷器、戶外跌落式熔斷器等組成。控制器根據電壓互感器和電流互感器采集的實時數據進行分析和判斷,發出實時控制命令;真空接觸器收到控制指令,即實時投切動作,完成電容器的通斷控制。戶外跌落式熔斷器對裝置進行短路保護,杜絕故障對裝置和線路造成損害。
一:工作環境條件
a.室外環境空氣溫度:-35℃~+45℃
b.環境空氣相對濕度:40℃時為20%~90%;
c.大氣壓力:海拔2000米及以下。
二:周圍環境要求
a.不允許有較強的振動與沖擊;
b.不允許有腐蝕和破壞絕緣的氣體、導電介質、含有危險的介質存在,不允許有嚴重的霉菌存在。

安裝方式:高壓線路無功補償裝置安裝于供電線路桿塔上,電容柜安裝于雙柱間橫擔上或單柱的三角支撐架上,柜體下端離地面距離大于2.5m。安裝支架和包箍使用優質槽鋼或角鋼,采取鍍鋅處理。
-
用料講究 品質保證
與國內外知名品牌供應商形成戰略合作,成熟,穩定的原材料供應渠道,性能穩定,質量有保障。
封閉設計 安全可靠
封閉式母排結構設計,模塊化組裝,安全整潔,徹底擺脫帶電體裸露、結構散亂、線束纏繞等一系列安全隱患。
-
-
熔絲保護 響應快速
創造性采用熔斷器代替傳統微型斷路器,6KA(Icu)→100KA(Icu)改變的不是一個數字,而是一種安全觀念!
精確投切 無涌流
精確的過零點投切技術,降低電網傳輸損耗,抑制電壓波動,解決電容器鼓肚、電抗器發熱、熔絲斷路的困擾
研發實力
擁有專業的研發技術團隊,專注于無功補償領域的研究,不斷創新
生產實力
5000平方米生產車間,從國外引進 生產設備,滿足任何行業的需求
質量檢測
具備完善的檢測實驗設備,配備專業化質檢人員,質量有保障
貼心服務
安排人員定期巡檢,上門檢修等服務,24h全天候售后服務體系
合肥眾升科技有限公司于2001年8月成立,坐落于安徽省合肥市肥東縣經濟開發區,致力于無功補償領域的研發、設計和生產,是一家擁有自主知識產權的電氣企業。公司先后獲得了中國質量認證中心的ccc認證、ISO9001質量體系認證、國家電器產品質量監督檢驗中心型式試驗的認可。
|
熱線電話:400-176-0551 公司傳真:0551-65372899 客服QQ:2726472126 郵箱:2726472126@qq.com 地址:安徽省肥東縣經濟開發區柳孜路 |
采購:高壓線路無功自動補償裝置
- *聯系人:
- *手機:
- 公司名稱:
- 郵箱:
- *采購意向:
-
*驗證碼:
跟此產品相關的產品 / Related Products
聯系眾升
服務熱線:400-176-0551- 手機:400-176-0551
- 傳真:0551-65372899
- 客服QQ:2726472126
- 郵箱:2726472126@qq.com
- 地址:安徽省肥東縣經濟開發區柳孜路




合肥眾升科技有限公司

